Собирать самому или покупать готовый?

На страницах iPhones.ru появлялась история о самостоятельной сборке принтера. К сожалению, настройке и отладке оборудования уделялось совсем немного.
Тем не менее и в том случае принтер не печатал идеально прямо из коробки, точнее, сразу после сборки. Тоже самое ждёт большинство готовых комплектов, приобретаемых в виде конструктора.
Что ж, каждый раз такая история. Мой первый Tronxy X3 был собран за несколько дней, после чего потребовал 2 недели на доводку. И ещё месяц на мелкие ремонты, замены комплектующих и повторную отладку.

Впечатление было испорчено: кривые фигурки и детали раз за разом отбивали желание работать. Пришлось менять силовые элементы, направляющие и докупать дополнительные датчики.
Детали наборов «сделай сам» проходят минимальный контроль. Поэтому, покупая принтер в виде набора деталей, можно столкнуться с низким качеством отдельных элементов или отсутствием чего-либо.
Если покупать и собирать по частям, итог будет чуть лучше — можно будет проверить каждый элемент. Но выйдет значительно дольше, а иногда и дороже.
Подключение шагового двигателя: определяем тип ШД
Тип шагового двигателя определяется просто, «на глаз», по количеству проводов, выходящих из него: их может быть 4,5,6 или 8.
Если шаговый двигатель имеет 4 провода
, он предназначен только для использования в комплекте с биполярными приборами. Такой электродвигатель оснащён двумя фазными обмотками, каждая из которых имеет 2 провода с непрерывной связью.
Имеющиеся у шагового двигателя 6 или 8 проводов
свидетельствуют о том, что мы имеет мело с униполярным устройством, которое может одинаково эффективно работать совместно как с биполярными, так и с униполярными агрегатами. Конструктивным отличием такого ШД является наличие центральных кранов для каждой из обмоток. При подключении униполярного шагового двигателя к однополярному прибору можно использовать все имеющиеся провода. В случае же, когда двигатель подключают к биполярному устройству, для каждой из обмоток используется один конец провода и один центр-кран. Для разделения провода при подключении униполярного шагового двигателя необходимо воспользоваться измерительным прибором.
Имея дело с 5-проводным ШД
, следует знать, что разделить провода в таком электроприборе без разрывов довольно сложно. Это объясняется особой конструкцией такого типа двигателя, клеммы которого соединены сплошным кабелем. Для безопасного подключения рекомендуется сначала определить центр провода, а затем соединить его с другими проводниками.
Схема подключения шагового двигателя
Подключение шагового двигателя осуществляется по принципиальной схеме:
На примере биполярного шагового двигателя с 4 выводами при его подключении к контроллеру или драйверу, первая обмотка подключается к разъёмам А и А*, а вторая – непосредственно ко второму устройству посредством разъёмов B и B*. Прежде чем приступить к подключению, обязательно проверьте цветовую схему выводов: в зависимости от производителя, она может быть различной. Ну и, конечно же, покупайте шаговые двигатели только у надёжных поставщиков, таких, как торговый дом Степмотор.
Источник
Подключение униполярных шаговых двигателей к биполярному драйверу.
Введение.
Шаговый двигатель (далее ШД) — особая разновидность двигателей, который позволяет точно управлять углом поворота ротора. ШД относится к синхронным безщёточным двигателям, имеет несколько обмоток на статоре (2, 4 или 8), ротор же выполнен из магнито-мягких (способных намагничиваться) или магнито-твердых материалов (постоянных магнитов) и их сочетаний.
На данный момент распространены биполярные ШД, обладающие двумя обмотками на статоре. Например, ШД типоразмера NEMA17, одни из самых распространенных биполярных ШД.

Ток в обмотках статора течет то в одну, то в другую сторону попеременно. Поэтому для управления биполярным ШД необходимы два Н-моста, по одному мосту на обмотку.
На следующей схеме приведена реализация управления биполярным ШД при помощи двух Н-мостов, каждый из которых построен из 6 транзисторов. Управление осуществляется при помощи микроконтроллера, у которого задействовано 4 выхода. Да и в самой прошивке микроконтроллера придется перебирать выводы управления ШД “вручную”.

Также можно использовать, например, микросхему L293 и аналогичные ей микросхемы (сдвоенный Н-мост), но и в этом случае для управление одним биполярным ШД потребуется 4 вывода микроконтроллера.

На фото пример готовой платы с микросхемой L298 для подключения по вышеприведенной схеме.

Следующая схема состоит из сдвоенного Н-моста L298 и специального драйвера L297, который преобразует протокол step/dir в понятный микросхеме L298 порядок переключения обмоток. Кроме того, L297 способна реализовать полушаговый режим работы ШД. То есть логика управления упростилась, но драйвер “оброс” ещё одной микросхемой.

На данный момент все вышеприведенные схемы управления биполярными ШД потеряли актуальность. Потому что рынок наполнен драйверами биполярных ШД, стоимость которых достаточно низка, чтобы перестать заниматься изобретением велосипеда.
Драйверы для управления биполярными ШД работают по протоколу step/dir, содержат в себе защитные диоды, позволяют устанавливать силу тока, протекающую через обмотки ШД и позволяют устанавливать дробный шаг ШД (?, ?, ? и так далее), что в свою очередь позволяет контролировать угол поворота ротора с большей точностью.
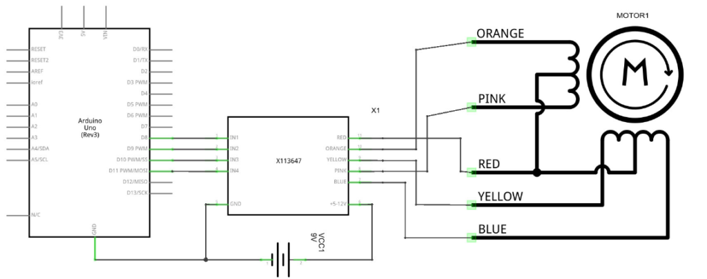
Подключение шагового двигателя к Ардуино
Подключение будет рассмотрено на примере униполярного двигателя 28BYj-48 и драйверов L298 и ULN2003. В качестве платы будет использоваться Arduino Uno.

Подключение шагового двигателя к Ардуино
Еще один вариант схемы с использованием L298:

Подключение шагового двигателя к Ардуино на базе L298
Схема подключения на базе ULN2003 изображена на рисунке ниже. Управляющие выходы с драйвера IN1-IN4 подключаются к любым цифровым контактам на Ардуино. В данном случае используются цифровые контакты 8-11. Питание подключается к 5В. Также для двигателя желательно использовать отдельный источник питания, чтобы не перегрелась плата Ардуино.
Подключение шагового двигателя к Ардуино
Принципиальная схема подключения.
Принципиальная схема подключения шагового двигателя
Еще одна схема подключения биполярного шагового двигателя Nema17 через драйвер L298 выглядит следующим образом.

Детали самодельного 3D-принтера. Приобретение запчастей для сборки принтера своими руками
Для знакомства с устройством 3D-принтера рассматриваются самые видные и понятные по функционалу узлы. В случае со сборкой принтера своими руками более правильно будет распределить элементы конструкции по группам схожести. В частности, такими комплектами эти составляющие зачастую и продаются, так что де-факто это список для покупок.
Однако даже при выборе готового комплекта не будет лишним прочесть этот пункт для общего развития в теме. Итак, приступим:
Корпус (рама, каркас)
При сборке самодельных принтеров в основном ограничиваются открытым корпусом. Поэтому основой для конструкции послужит рама. Ее можно собрать из металлических шпилек, металлопрофиля или просто вырезать из фанеры или листового металла на ЧПУ-станке или даже просто лобзиком (вспоминаем уроки труда в школе).
Пример самодельного корпуса для 3D-принтера
А вот и пример рамы из фанеры
Универсальный элемент конструкции 3D-принтера, шпильки — стальные прутья с нарезанной резьбой. Из шпилек может составляться основание принтера, на них крепятся ремни для перемещения печатного стола, а также шпильки используются как направляющие для перемещения экструдера по оси Z.
Вкупе с гайками они удобны для точной сборки конструкции 3D-принтера и легки в настройке, а их доступность и дешевизна не оставляют шансов остаться невостребованными для сборки 3D-принтера своими руками.
Приобрести шпильки можно практически в любом строительном магазине или рынке.
Рама принтера, собранная целиком из шпилек
Как видно на иллюстрации выше, шпильки скрепляются разнообразными по форме узлами крепления. Зачастую эти узлы и печатают на 3D-принтере, поэтому приобрести их на тематическом ресурсе также не проблема. Однако в зависимости от выбранных материалов и конструкции корпуса можно обойтись и более подручными средствами, например, металлическими уголками, той же фанерой и, в некоторых случаях, даже простыми пластиковыми стяжками.
Реализация кинематики
В этот список входят:
- Шаговые двигатели (моторчики)
- Зубчатые ремни
- Шестеренки, колесики и т.п.
- Направляющие и др.
Слева — шаговый мотор, справа — моток зубчатого ремня
Электрика принтера
- Платы управления током и всеми узлами 3D-принтера, использующими ток, драйвера моторов
- Панель управления принтером
- Провода, кабели и др.
- Стоп-энды (концевые выключатели) — концевые датчики касания, нужны для определения конечного положения двигательных элементов принтера по осям)
Также вне экструдера могут использоваться вентиляторы охлаждения, блоки аварийного питания и прочие обвесы, однако это всё не обязательно. А вот что обязательно, так это кабель питания самого 3D-принтера
Детали экструдера
Половину составляющих экструдера можно причислить к 1 или 2 пункту, однако для разбора устройства экструдера рассмотрим их отдельно:
- Основа экструдера. Можно покупать детали для основы отдельно, однако для примера возьмем уже собранный вариант:
- Шаговый мотор и зубчатые колеса. Мотор приводит в движение колесики, которые, за счёт сцепления зубьев с пластиковой нитью, протянутой в специальное отверстие в экструдере, проталкивают ее к нагревательному элементу и далее, через сопло — наружу.
- Нагревательный элемент. В названии кроется функционал — термоэлемент разогревает пластик и приводит его в расплавленное состояние.
- Вентиляторы охлаждения. Нужны для охлаждения нагревательного элемента, однако могут использоваться дополнительные вентиляторы для обдува сопла и напечатанного слоя (за счет этого ускоряется затвердевание слоя, что уменьшает возможность деформации модели в процессе печати) .
Шаг 9: Экструдер
Привод подачи пластикового волокна состоит из шагового двигателя NEMA 17 и MK7/MK8 привода шестерни, что нужно купить для проекта. Также необходимо скачать драйвер управления частями экструдера 3D принтера, что вы можете скачать по ссылкам ниже
1) Экструдер в состоянии покоя:e-waste_extruder_idle
2) «тело» экструдера : e-waste_extruder_body
3) «горячее сопло»:RepRapPro_mount

Пластиковое волокно, после того, как втягивается в экструдер, попадает в нагревательную камеру.
Между барабаном с волокном и нагревательной камерой, волокно направляется вовнутрь гибкой тефлоновой трубки.
Соберем прямой привод, что показан на рисунке, прикрепив к нему шаговый двигатель и закрепив его на акриловой раме.
Для калибровки потока пластика нужно измерить расстояние (например 100 мм) и положить кусочек ленты в этом месте. Затем перейдите в программное обеспечение Repetier и выставьте на экструдере 100 мм, после чего измерьте реальное расстояние и повторите шаг 9.
Перед тем, как отдать свои кровные

Первое предупреждение — будет непросто. Самостоятельная сборка 3D-принтера требует усидчивости и терпения. Я буду счастлив, если у вас все будет получаться с первого раза, но, по собственному опыту скажу, что без ложки дегтя в 3D-печати не бывает.
Перед покупкой комплектующих для самостоятельного построения принтера сразу же хочу отметить, что для нас самое важное — максимально ужатый бюджет. И дело не совсем в экономии. Лично мне бы очень хотелось, чтобы вы испытали тот восторг, который наступает после печати первой детали на устройстве, которое создано вашими руками
Лично мне бы очень хотелось, чтобы вы испытали тот восторг, который наступает после печати первой детали на устройстве, которое создано вашими руками
И дело не совсем в экономии. Лично мне бы очень хотелось, чтобы вы испытали тот восторг, который наступает после печати первой детали на устройстве, которое создано вашими руками.
Собирать будем классическую модель Prusa i3. Во-первых, это максимально бюджетный вариант исполнения принтера. Во-вторых, он очень популярен и найти пластиковые детали для этой модели не проблема.
Наконец, апгрейдить эту модель одно удовольствие. Делать это можно бесконечно долго, но главное, видеть заметные улучшения после вложения очередной сотни-другой рублей.
Типы шаговых двигателей
Шаговый двигатель с постоянным магнитом
Ротор такого мотора несет постоянный магнит в форме диска с двумя или большим количеством полюсов. Работает точно также как описано выше. Обмотки статора будут притягивать или отталкивать постоянный магнит на роторе и создавать тем самым крутящий момент. Ниже представлена схема шагового двигателя с постоянным магнитом.
Обычно, величина шага таких двигателей лежит в диапазоне 45-90°.
Шаговый двигатель с переменным магнитным сопротивлением
У двигателей этого типа на роторе нет постоянного магнита. Вместо этого, ротор изготавливается из магнитомягкого металла в виде зубчатого диска, типа шестеренки. Статор имеет более четырех обмоток. Обмотки запитываются в противоположных парах и притягивают ротор. Отсутствие постоянного магнита отрицательно влияет на величину крутящего момента, он значительно снижается. Но есть и большой плюс. У этих двигателей нет стопорящего момента. Стопорящий момент — это вращающий момент, создаваемый постоянными магнитами ротора, которые притягиваются к арматуре статора при отсутствии тока в обмотках. Можно легко понять, что это за момент, если попытаться повернуть рукой отключенный шаговый двигатель с постоянным магнитом. Вы почувствуете различимые щелчки на каждом шаге двигателя. В действительности то, что вы ощутите и будет фиксирующим моментом, который притягивает магниты к арматуре статора. Ниже показана работа шагового двигателя с переменным магнитным сопротивлением.
Шаговые двигатели с переменным магнитным сопротивлением обычно имеют шаг, лежащий в диапазоне 5-15°.
Гибридный шаговый двигатель
Данный тип шаговых моторов получил название «гибридный» из-за того, что сочетает в себе характеристики шаговых двигателей и с постоянными магнитами и с переменным магнитным сопротивлением. Они обладают отличными удерживающим и динамическим крутящим моментами, а также очень маленькую величину шага, лежащую в пределах 0.9-5°, обеспечивая великолепную точность. Их механические части могут вращаться с большими скоростями, чем другие типы шаговых моторов. Этот тип двигателей используется в станках ЧПУ high-end класса и в роботах. Главный их недостаток — высокая стоимость.
Обычный мотор с 200 шагами на оборот будет иметь 50 положительных и 50 отрицательных полюсов с 8-ю обмотками (4-мя парами). Из-за того, что такой магнит нельзя произвести, было найдено элегантное решение. Берется два отдельных 50-зубых диска. Также используется цилиндрический постоянный магнит. Диски привариваются один с положительному, другой к отрицательному полюсам постоянного магнита. Таким образом, один диск имеет положительный полюс на своих зубьях, другой — отрицательный.
Два 50-зубых диска помещены сверху и снизу постоянного магнита
Фокус в том, что диски размещаются таким образом, что если посмотреть на них сверху, то они выглядят как один 100-зубый диск! Возвышения на одном диске совмещаются со впадинами на другом.
Впадины на одном диске выровнены с возвышениями на другом
Ниже показана работа гибридного шагового двигателя, имеющего 75 шагов на оборот (1.5° на шаг). Стоит заметить, что 6 обмоток спарены, каждая имеет обмотку с противоположной стороны. Вы наверняка ожидали, что катушки расположены под углом в 60° следом друг за другом, но, на самом деле, это не так. Если предположить, что первая пара — это самая верхняя и самая нижняя катушки, тогда вторая пара смещена под углом 60+5° по отношению к первой, и третья смещена на 60+5° по отношению ко второй. Угловая разница и является причиной вращения мотора. Режимы управления с полным и половинным шагом могут использоваться, впрочем как и волновое управление для снижения энергопотребления. Ниже продемонстрировано полношаговое управление. В полушаговом режиме, число шагов увеличится до 150!
Не пытайтесь следовать за обмотками, чтобы понаблюдать, как это работает. Просто сфокусируйтесь на одной обмотке и ждите. Вы заметите, что всякий раз, когда обмотка задействована, есть 3 положительных полюса (красный) в 5° позади, которые притягиваются по направлению вращения и другие 3 отрицательных полюса (синий) в 5° впереди, которые толкаются в направлении вращения. Задействованная обмотка всегда находится между положительным и отрицательным полюсами.
Схема униполярных и биполярных шаговых двигателей
Вначале рассмотрим униполярный шаговый двигатель, ввиду простоты управления. В таком моторе ток в обмотке всегда течет в одном направлении. Это упрощает метод управления, в отличие от биполярного, где управление должно обеспечивать изменение полярности катушек шагового двигателя путем изменения направления тока через обмотку на противоположное.

Двух переключателей достаточно, чтобы построить простейший драйвер шагового двигателя, как показано на рисунке. Здесь используем 6-проводный униполярный двигатель. Также можно сказать, что двигатель в этом случае управляется однополярно, за счет использования средней обмотки катушки и постоянного напряжения питания на нее.
Переключая данные переключатели в последовательности S1, S2, S1, S2, S1, S2… заметим, что двигатель вращается. Рисунок выше иллюстрирует важный принцип управления: обе обмотки не могут питаться от одной пары одновременно. Каждое изменение переключателя поворачивает ротор на один шаг. Чем быстрее начнем переключать переключатели в последовательности S1, S2, S1, S2…, тем быстрее начнет вращаться ротор.

Подключение переключателей к катушкам шагового двигателя
Скорость шагового двигателя зависит не от величины напряжения, а от скорости подключения питания к отдельным обмоткам. Чтобы добиться полного вращения ротора с 200-шаговым двигателем, надо изменить положение каждого переключателя 100 раз, то есть выполнить до 200 последовательностей для двух переключателей. Это уже говорит о том, что шаговые двигатели не могут работать на высокой скорости. Из этого следует, что шаговые двигатели можно назвать «цифровыми двигателями», поскольку для вращения ротора необходимо переключать переключатели в соответствующей последовательности.

В нашем случае последовательность переключений также определяет направление вращения шагового двигателя. Когда меняем последовательность включения переключателей, то меняем и направление вращения, например S2, S1, S2, S1, S2, S1… влево, S1, S2, S1, S2, S1, S2… вправо. В этом примере есть двухпозиционные переключатели, которые всегда обеспечивают питание двух из четырех обмоток шагового двигателя в данный момент. Но использование трехпозиционных переключателей дает гораздо больше возможностей.
Опять же, обе обмотки никогда не питаются от одной пары, что является обязательным принципом управления шаговым двигателем. Благодаря трехпозиционным переключателям можно реализовать, например, полушаговое управление, благодаря разнообразию переключений. Одновременно могут быть под напряжением две, одна или ни одной из обмоток.

Упрощенная схема управления униполярным шаговым двигателем
Чтобы управлять таким мотором, надо обеспечить соответствующую последовательность импульсов. Например, только одна из четырех обмоток шагового двигателя находится под напряжением одновременно (это своего рода волновое управление). На каждый цикл двигателя подается питание на одну из четырех катушек униполярного шагового двигателя. Вращение его будет выглядеть так:

Вращение униполярного шагового двигателя в последовательных тактах цикла управления волной
Управляющая последовательность A +, B +, A-, B- повторяется каждые четыре импульса тактового генератора. Этот тип управления называется однофазным или волновым. Это полный шаг управления, потому что двигатель выполняет один полный ход (шаг) с одним импульсом генератора.
Самый простой способ изменить направление — поменять местами одну пару проводов катушки (поменять местами, например, B + с B — и B — с B +), затем дадим последовательность A +, B -, A -, B + импульсы, он вращает двигатель в противоположном направлении. Так управление направлением реализовано в некоторых контроллерах шаговых двигателей. Самый простой способ изменить последовательность импульсов — использовать, например, реле.

Форма волны (однофазная) импульсная последовательность драйвера

Упрощенная схема однофазного (волнового) регулятора с изменением направления вращения
Несомненное преимущество униполярных шаговых двигателей — простота управления. Но это связано с волновым управлением, с использованием только половины обмотки за раз, одна из них всегда не используется. Используется только 1/4 всех обмоток шагового двигателя, что значительно снижает максимальную производительность.
И сколько вышло?

Проведем приблизительные подсчеты. Рассчитываем самый бюджетный вариант. Учтите, что экономия требует затрат времени — придется побегать.
ИТОГО: 7420 руб + 580 руб (на всякий случай) = 8 000 рублей.
Что ж, я обещал, что мы соберем 3D-принтер за 10 000 рублей. И мы это сделали. Да, придется побегать, поискать и потратить время, но моя задача была доказать, что 3D-печать – не так дорого, как может показаться на первый взгляд.
Материал получился очень обширным, но я старался максимально сжать информацию и выделить лишь ключевые моменты, на которые стоит обратить внимание. Надеюсь, у меня получилось
Если чего не сказал – не судите строго. Я готов поделиться опытом и посоветовать максимально эффективные варианты решения той или иной проблемы по 3D-печати. В данном случае, по закупке комплектующих.
Продолжение следует;)
iPhones.ru
Пришло время закупаться.
Рассказать
Драйвер шагового двигателя DM542T
Драйвер шагового двигателя DM542T
| Максимум. Текущий | 4,2 А |
| Шаговый двигатель | NEMA 14,17,23,24 (до 4.2A) |
| Источник питания | 8-45В |
Краткие технические характеристики
DM542T — мой личный фаворит и тот, который я чаще всего использую для своих DIY-приложений с ЧПУ.
Этот шаговый драйвер может приводить в действие почти любой двигатель NEMA 17 и NEMA 23, за исключением, вероятно, NEMA 23 с высоким крутящим моментом с током 4,2 А.
Этот драйвер шагового двигателя — отличный выбор почти для любого другого шагового двигателя в ЧПУ. Я говорю это потому, что NEMA 34 очень редко встречается в ЧПУ.
Это делает драйвер отличным выбором практически для любого проекта DIY с ЧПУ на основе GRBL, включая большие рамы 8 ‘x 4’.
Если вам нужно выбрать контроллер на основе GRBL, который вам нужен для вашего ЧПУ, то это руководство, которое я написал, вероятно, вам поможет — Контроллеры GRBL для ЧПУ для любителей.
Этот контроллер мотора известен своей высокой надежностью и долгим сроком службы. Благодаря микросхеме DM542T, этот продукт отличается высочайшим качеством. Теплоотвод и охлаждение этого мотора превосходны. Это очень тихий драйвер, он не напрягается даже при 4А.
Одной из приятных особенностей этого двигателя является отличная система плавного пуска. Шаговые двигатели без этого потребляют большой ток, когда они изначально запитаны.
Это вызывает резкий скачок в двигателе и значительно сокращает срок его службы.
DM542T смягчает это, регулируя ток и позволяя крутящему моменту увеличиваться постепенно.
Функция антирезонанса DM542T работает так, как рекламируется, и это позволяет избежать любой вибрации и шума в средних диапазонах (в усилителях).
Кроме того, шаговые двигатели обычно нагреваются, когда они не вращаются при подключении к источнику питания.
DM542T имеет функцию уменьшения тока холостого хода, при которой ток падает до половины значения оборотов.
DM542T предлагает микрошаги до 1/128. Но что действительно приятно, так это микрошаговое управление.
Вы можете использовать DIP-переключатели в шаговом двигателе, чтобы легко установить число микрошага из 15 предустановленных режимов (1/2, 1/4, … и так далее до 1/128).
Шаговый драйвер DM542T с DIP-переключателями синего цвета
В отличие от предыдущих драйверов шагового двигателя в этом списке, вам не нужно поворачивать потенциометр для регулировки тока.
Подобно микрошаговому управлению, вы можете использовать DIP-переключатели для установки тока из 8 выбираемых пиковых токов (1,00 A, 1,46 A, 1,91 A, 2,37 A, 2,84 A, 3,31 A, 3,76 A, 4,20 A).
Для запуска этого шагового драйвера вам необходимо подать входное напряжение 20-50 В постоянного тока. На всякий случай безопаснее поддерживать верхний предел напряжения питания 45 В постоянного тока.
Как и в случае с большинством шаговых двигателей, при увеличении напряжения питания вы получите более высокий крутящий момент даже при более высоких оборотах.
В целом, это, вероятно, лучший драйвер двигателя 24 В в этом списке.
Обратите внимание, что для запуска 3 двигателей вам потребуется три шаговых драйвера. Вы не можете запустить несколько двигателей от одного шагового драйвера, так как это одноосные шаговые драйверы
Вы не можете запустить несколько двигателей от одного шагового драйвера, так как это одноосные шаговые драйверы.
В последнее время я начал чаще использовать драйвер DM556 это более распространённый, улучшенный аналог DM542T, к сожалению он немного дороже
DM542TСкачать
Недостаточная температура для нагрева пластика
Если с предыдущими пунктами все ок, проверяем в настройках печати температуру нагрева для пластика. Каждый вид пластика обладает определенными свойствами, одно из них – температура плавления. Если температура очень низкая, пластик не успеет расплавится и не будет выходить из сопла и наоборот, если температура слишком высокая, пластик может пригореть и забить сопло.
Пример температур для двух самых популярных пластиков:
PLA – температура нагрева 180 градусов, температура нагрева стола 60-80 грудусов
ABS – температура нагрева 240 градусов, температура нагрева стола 110 градусов
Перед тем, как отдать свои кровные
Первое предупреждение — будет непросто. Самостоятельная сборка 3D-принтера требует усидчивости и терпения. Я буду счастлив, если у вас все будет получаться с первого раза, но, по собственному опыту скажу, что без ложки дегтя в 3D-печати не бывает.
Перед покупкой комплектующих для самостоятельного построения принтера сразу же хочу отметить, что для нас самое важное — максимально ужатый бюджет. И дело не совсем в экономии
Лично мне бы очень хотелось, чтобы вы испытали тот восторг, который наступает после печати первой детали на устройстве, которое создано вашими руками
И дело не совсем в экономии. Лично мне бы очень хотелось, чтобы вы испытали тот восторг, который наступает после печати первой детали на устройстве, которое создано вашими руками.
Собирать будем классическую модель Prusa i3. Во-первых, это максимально бюджетный вариант исполнения принтера. Во-вторых, он очень популярен и найти пластиковые детали для этой модели не проблема.
Наконец, апгрейдить эту модель одно удовольствие. Делать это можно бесконечно долго, но главное, видеть заметные улучшения после вложения очередной сотни-другой рублей.
Механика
Под «механикой» мы подразумеваем как статичные, так и движущиеся элементы принтера. От правильного выбора механики напрямую зависит качество моделей, которые он способен будет печатать.
Существует буквально сотни всевозможных модификаций и вариантов исполнения того самого принтера Prusa i3. Вариантов замены комплектующих или их аналогов тьма, поэтому всегда можно что-то изменить или исправить.
Корпус
На что влияет. Корпус обеспечивает жесткость всей конструкции. Учтите, что во время печати хотэнд будет постоянно перемешаться вверх, вниз, влево, вправо, вперед и назад. Иногда эти движения будут очень резкими и быстрыми, поэтому, чем надежнее будет корпус, тем лучших результатов вы достигните.
Варианты. Чертеж рамы есть в открытом доступе (тут или тут). Дальше остается обратиться в конторы, занимающиеся резкой фанеры, ДСП, акрила или металла.
Из стали 3-4 миллиметра выйдет подороже, потяжелее, но надежнее. Из фанеры 6 – 8 мм дешевле. Есть варианты и из акрила.
Финансовый совет. Готовые варианты рам на AliExpress и Ebay сразу отметайте. Там просят в три-четыре раза большую сумму. Полистайте доски объявлений по месту жительства. Средняя стоимость корпуса из фанеры варьируется в пределах 600 – 1000 рублей. Все, что дороже — от лукавого.
Цена вопроса: 800 рублей (здесь и далее – приблизительная стоимость).



























